Постоянная память
Микропрограммные автоматы на ПЗУ
Микропрограммные автоматы представляют собой следующий шаг по пути усложнения интеллекта цифровых схем. На основе микропрограммных автоматов можно строить устройства, которые работают по довольно сложным алгоритмам, выполняют различные функции, определяемые входными сигналами, выдают сложные последовательности выходных сигналов. При этом алгоритм работы микропрограммного автомата может быть легко изменен заменой прошивки ПЗУ.
В отличие от рассматривавшихся ранее устройств на "жесткой" логике, принцип работы которых однозначно определяется используемыми элементами и способом их соединения, микропрограммные автоматы с помощью одной и той же схемы могут выполнять самые разные функции. То есть они гораздо более гибкие, чем схемы на "жесткой" логике. К тому же проектировать микропрограммные автоматы с точки зрения схемотехники довольно просто. Недостатком любого микропрограммного автомата по сравнению со схемами на "жесткой" логике является меньшее предельное быстродействие и необходимость составления карты прошивки ПЗУ с микропрограммами, часто довольно сложными.
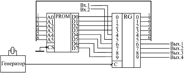
Наиболее распространенная структура микропрограммного автомата (рис. 11.15) включает в себя всего лишь три элемента: ПЗУ, регистр, срабатывающий по фронту, и тактовый генератор.
ПЗУ имеет (L+M) адресных разрядов и N разрядов данных. Регистр применяется с количеством разрядов (N + L). Разряды данных ПЗУ записываются в регистр по положительному фронту тактового сигнала с генератора. Часть этих разрядов (М) используется для образования адреса ПЗУ, другая часть (N-M) служит для формирования выходных сигналов. Входные сигналы (L) поступают на входы регистра и используются совместно с частью выходных разрядов ПЗУ для получения адреса ПЗУ.
Схема работает следующим образом. В каждом такте ПЗУ выдает код данных, тем самым определяя не только состояние выходных сигналов схемы, но и адрес ПЗУ, который установится в следующем такте (после следующего положительного фронта тактового сигнала). На этот следующий адрес влияют также и входные сигналы. То есть в отличие от формирователя последовательности сигналов, рассмотренного в предыдущем разделе, в данном случае адреса могут перебираться не только последовательно (с помощью счетчика), но и в произвольном порядке, который определяется прошивкой ПЗУ, называемой микропрограммой.
Условием правильной работы схемы будет следующее. За один период тактового сигнала должны успеть сработать регистр и ПЗУ. Иначе говоря, сумма задержки регистра и задержки выборки адреса ПЗУ не должна превышать периода тактового сигнала. Отметим также, что входные сигналы микропрограммного автомата нельзя подавать непосредственно на адресные входы ПЗУ (без регистра), так как их асинхронное (по отношению к тактовому сигналу) изменение может вызвать переходный процесс на выходах данных ПЗУ именно в тот момент, когда выходные сигналы ПЗУ записываются в регистр. В результате в регистр может записаться неверная информация, что нарушит работу всей схемы. Регистр же синхронизирует изменения входных сигналов с тактовым сигналом, в результате чего все разряды кода адреса ПЗУ меняется одновременно — по положительному фронту тактового сигнала. Регистр должен обязательно срабатывать по фронту, использование регистра-защелки не допускается, так как он может вызвать лавинообразный переходный процесс.
Возможности такой простой схемы оказываются очень большими. Например, микропрограммный автомат может выдавать последовательности выходных сигналов в ответ на определенное изменение входных сигналов. Он может также временно остановить выдачу выходных сигналов до прихода входных сигналов. Он может анализировать длительность входного сигнала и в зависимости от нее выдавать те или иные выходные сигналы. Он может также и многое другое.
Сформулируем несколько элементарных функций, из которых могут складываться алгоритмы работы микропрограммного автомата (рис. 11.16):

Рис. 11.16. Элементарные функции микропрограммного автомата: последовательный перебор (а), циклическое повторение (б) и остановка (в)
- Последовательный перебор адресов ПЗУ (например, для выдачи последовательности выходных сигналов).
- Периодическое повторение последовательности адресов ПЗУ (например, для повторения последовательности выходных сигналов).
- Остановка в каком-то адресе ПЗУ (например, для ожидания изменения входного сигнала).
- Временное отключение реакции на входные сигналы (например, для того, чтобы закончить отработку реакции на предыдущее изменение входных сигналов). Эта функция на рисунке не показана.
В качестве примера рассмотрим выполнение некоторых элементарных функций микропрограммным автоматом, показанным на рис. 11.17.
ПЗУ имеет организацию 64х8 (это могут быть две микросхемы РЕ3 или одна микросхема РТ18), количество разрядов регистра равно десяти (это могут быть две микросхемы ИР27). Схема имеет два входных сигнала и четыре выходных сигнала. Такая организация микропрограммного автомата хороша тем, что его микропрограмма (то есть карта прошивки ПЗУ ) очень наглядна, легко составляется и читается.
Выходные разряды данных ПЗУ делятся на две группы по 4 сигнала: младшие идут на образование следующего адреса ПЗУ, старшие образуют четыре выходных сигнала. Входные сигналы поступают (через регистр) на два старших разряда адреса ПЗУ. Если мы изобразим карту прошивки ПЗУ в привычном для нас виде таблицы из четырех строк и 16 столбцов (табл. 11.7), то в этой таблице будут наглядно видны как состояние каждого из внутренних сигналов, так и реакция схемы на любой входной сигнал, а также состояния всех выходных сигналов в каждом такте.
Прежде всего, легко заметить, что выбор той или иной строки таблицы производится старшими разрядами кода адреса ПЗУ, то есть входными сигналами микропрограммного автомата. Таким образом, любое изменение входных сигналов приводит к переходу в карте прошивки на другую строку. Например, строка 00 будет соответствовать нулевым входным сигналам микропрограммного автомата, а строка 30 — единичным входным сигналам.
Теперь посмотрим на структуру 8-разрядного кода данных ПЗУ. Младшие четыре разряда этого кода (правый, младший знак 16-ричного кода в таблице) соответствуют четырем младшим разрядам кода адреса ПЗУ. Старшие четыре разряда кода данных ПЗУ (левый, старший знак 16-ричного кода в таблице) соответствуют четырем выходным сигналам микропрограммного автомата. То есть непосредственно по 16-ричному коду данных из таблицы можно сказать, во-первых, каким будет следующий адрес ПЗУ, и во-вторых, какими будут выходные сигналы автомата в следующем такте.