Постоянная память
ПЗУ в генераторах импульсных последовательностей
Следующее важнейшее применение ПЗУ — это построение генераторов сложных последовательностей цифровых импульсов. Такие генераторы широко используются в самых разных измерительных системах, в устройствах автоматики, в телевизионных системах, в схемах управления линейными или матричными индикаторами и т.д.
Задача в данном случае ставится следующим образом. Необходимо сформировать последовательность из нескольких сигналов различной длительности, сдвинутых относительно друг друга на различные временные интервалы. Причем последовательность эта может быть как разовой (однократно начинающейся по внешнему сигналу), так и периодической, непрерывно повторяющейся.
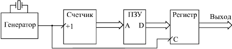
Наиболее распространенная структура генератора последовательностей выходных сигналов на ПЗУ включает в себя тактовый генератор нужной частоты, счетчик с требуемым числом разрядов, ПЗУ и выходной регистр (рис. 11.11). Счетчик перебирает адреса ПЗУ, ПЗУ последовательно выдает на выходы данных все записанные в него коды. Выходной регистр, тактируемый тем же тактовым сигналом, что и счетчик, служит для предотвращения появления в выходных сигналах паразитных импульсов и для обеспечения одновременного переключения всех выходных сигналов (что особенно важно в случае, когда используются несколько параллельно включенных микросхем ПЗУ для увеличения разрядности шины данных).
Рассмотрим пример. Пусть необходимо непрерывно формировать периодическую последовательность из шести выходных сигналов в соответствии с временной диаграммой рис. 11.12. Получить такую последовательность можно, конечно, с помощью комбинационных схем, включенных на выходе счетчика, или с помощью множества одновибраторов, запускающих друг друга, но и то, и другое решение чересчур громоздко и сложно как в проектировании, так и в настройке. Применение же ПЗУ значительно упрощает задачу. Достаточно провести несложные расчеты и составить карту прошивки ПЗУ.
Расчеты сводятся к следующему.
Прежде всего определяем минимально возможную тактовую частоту (с целью минимизации требуемого объема ПЗУ ). Для этого надо выделить максимальный временной интервал (дискрет времени), который укладывается целое число раз во все временные сдвиги, задержки, длительности требуемой диаграммы. В нашем случае этот дискрет равен одному делению по оси времени. Например, если длительность этого деления равна 250 нс, то и период тактового сигнала надо выбирать 250 нс, то есть тактовая частота будет равна 4 МГц. Можно, конечно, выбрать ее и кратной 4 МГц, например, 8 МГц, 12 МГц, но тогда потребуется вдвое или втрое больший объем ПЗУ. Если бы нам надо было формировать только три верхних сигнала (Выход 0, Выход 1, Выход 2), то период тактовой частоты можно было бы брать вдвое больше (в нашем примере — 500 нс), так как для этих сигналов все длительности кратны двум делениям.
Второй расчет сводится к определению количества ячеек и разрядности ПЗУ. Шесть выходных сигналов схемы требуют шести разрядов данных ПЗУ. Длительность последовательности равна 20 тактам (или 14 в 16-ричном коде), то есть не равна 2n, поэтому счетчик придется сбрасывать в нуль через каждые 20 тактов, для чего потребуется еще один разряд данных ПЗУ. Итого потребуется 7 разрядов. А для перебора 20 тактов последовательности потребуется 5-разрядный счетчик, так как 24 = 16 (недостаточно), а 25 = 32 (достаточно). Значит, разрядность шины адреса ПЗУ также должна быть не менее пяти, то есть минимальные требования к организации ПЗУ — это 32х8, значит, подойдет микросхема ПЗУ типа РЕ3.
Наконец, третий расчет касается условий правильной работы схемы. Генератор последовательности будет работать правильно, если за период тактового сигнала успеют сработать счетчик и ПЗУ. То есть сумма задержки полного переключения счетчика и задержки выборки адреса ПЗУ не должна превышать периода тактового сигнала.
Таким образом, один из возможных вариантов схемы генератора последовательности импульсов (рис. 11.13) будет включать в себя тактовый генератор, пятиразрядный счетчик на основе ИЕ19, ПЗУ типа К155РЕ3 и 8-разрядный выходной регистр ИР27. Так как счетчик срабатывает по отрицательному фронту тактового сигнала, а регистр — по положительному фронту тактового сигнала, необходимо включить инвертор. На схеме для простоты не показаны резисторы на выходах данных типа ОК микросхемы ПЗУ.
Из схемы видно, что существует еще одно дополнительное условие правильной работы, связанное с использованием сигнала сброса. За период тактового сигнала должен успеть сработать регистр (записать в себя сигнал сброса с выхода ПЗУ ), должен сброситься счетчик и должно выдать код ПЗУ. То есть сумма задержек регистра, сброса счетчика и выборки адреса ПЗУ не должна превышать периода тактового сигнала.
Такт (адрес) | Вых.6 | Вых.5 | Вых.4 | Вых.3 | Вых.2 | Вых.1 | Вых.0 | Код (данные) |
---|---|---|---|---|---|---|---|---|
0 | 0 | 0 | 1 | 1 | 1 | 1 | 1 | 1F |
1 | 0 | 0 | 1 | 0 | 1 | 1 | 1 | 17 |
2 | 0 | 0 | 1 | 0 | 1 | 1 | 0 | 16 |
3 | 0 | 0 | 1 | 0 | 1 | 1 | 0 | 16 |
4 | 0 | 0 | 0 | 0 | 1 | 0 | 0 | 04 |
5 | 0 | 1 | 0 | 0 | 1 | 0 | 0 | 24 |
6 | 0 | 0 | 0 | 0 | 0 | 0 | 1 | 01 |
7 | 0 | 1 | 0 | 0 | 0 | 0 | 1 | 21 |
8 | 0 | 1 | 0 | 0 | 0 | 1 | 1 | 23 |
9 | 0 | 1 | 0 | 0 | 0 | 1 | 1 | 23 |
A | 0 | 1 | 0 | 0 | 1 | 1 | 0 | 26 |
B | 0 | 1 | 0 | 0 | 1 | 1 | 0 | 26 |
C | 0 | 1 | 0 | 0 | 1 | 0 | 0 | 24 |
D | 0 | 0 | 0 | 0 | 1 | 0 | 0 | 04 |
E | 0 | 1 | 0 | 0 | 0 | 0 | 1 | 21 |
F | 0 | 0 | 0 | 0 | 0 | 0 | 1 | 01 |
10 | 0 | 0 | 1 | 0 | 0 | 1 | 1 | 13 |
11 | 0 | 0 | 1 | 0 | 0 | 1 | 1 | 13 |
12 | 0 | 0 | 1 | 0 | 1 | 1 | 1 | 17 |
13 | 1 | 0 | 1 | 1 | 1 | 1 | 1 | 5F |
Теперь составим карту прошивки ПЗУ. Для этого сформируем таблицу значений всех семи выходных сигналов во всех двадцати рабочих тактах генератора последовательностей (табл. 11.5). Значения шести выходных сигналов (Выход 0 ... Выход 5) мы непосредственно берем из требуемой временной диаграммы (см. рис. 11.12). Хотя эти сигналы будут приходить на выход схемы с задержкой на один такт из-за наличия выходного регистра, но при периодической работе генератора последовательности это не имеет никакого значения.
Седьмой сигнал (Выход 6) используется в качестве сброса счетчика, он равен нулю от нулевого такта до 18 (в 16-ричном коде — 12) такта и равен единице в последнем девятнадцатом такте (в 16-ричном коде — 13). Этим единичным сигналом счетчик будет сбрасываться в нуль, то есть работа схемы после 19 такта будет возобновляться с нулевого такта.
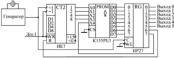
Пусть нам требуется более высокое быстродействие схемы. Например, период тактового генератора должен быть равен 100 нс и даже меньше. В этом случае асинхронный счетчик типа ИЕ19 уже не подойдет из-за своего низкого быстродействия. Надо использовать 5-разрядный синхронный счетчик. Можно, конечно, включить две микросхемы 4-разрядных счетчиков типа ИЕ17, но можно обойтись и одним 4-разрядным счетчиком, если задействовать оставшийся свободным выход данных ПЗУ и оставшийся свободным разряд регистра (рис. 11.14). При этом без всякого ущерба для быстродействия можно использовать синхронный счетчик с асинхронным переносом ИЕ7, так как нужна всего одна микросхема счетчика.

Рис. 11.14. Второй вариант схемы генератора последовательности с 4-разрядным синхронным счетчиком ИЕ7
Карта прошивки ПЗУ генератора последовательностей остается той же самой, что и в предыдущем случае, но добавляется один (седьмой) разряд шины данных ПЗУ. Этот разряд должен быть равен нулю в пятнадцати тактах с нулевого до 14 (в 16-ричном коде — Е), в четырех тактах с 15 (F в 16-ричном коде) по 18 (12 в 16-ричном коде) он должен быть равен единице (код данных увеличится на 80), а в последнем 19 такте (13 в 16-ричном коде) он снова должен быть равен нулю. В результате адреса ПЗУ будут перебираться от 0 до 15 (старший разряд адреса равен нулю), затем от 16 до 19 (старший разряд адреса станет равен единице, а счетчик после переполнения считает с нуля), а затем снова от нулевого адреса (счетчик сбросится сигналом "Выход 6", а старший разряд адреса памяти станет нулевым). Получающаяся в результате карта прошивки ПЗУ приведена в табл. 11.6.
Адрес | 0 | 1 | 2 | 3 | 4 | 5 | 6 | 7 | 8 | 9 | A | B | C | D | E | F |
---|---|---|---|---|---|---|---|---|---|---|---|---|---|---|---|---|
00 | 1F | 17 | 16 | 16 | 04 | 24 | 01 | 21 | 23 | 23 | 26 | 26 | 24 | 04 | 21 | 81 |
10 | 93 | 93 | 97 | 5F | ХХ | ХХ | ХХ | ХХ | ХХ | ХХ | ХХ | ХХ | ХХ | ХХ | ХХ | ХХ |
Конечно, рассмотренный пример довольно прост, при использовании ПЗУ большего объема генерируемые последовательности сигналов могут быть гораздо сложнее рассмотренной, и выходных сигналов может быть больше, но суть остается прежней: ПЗУ выдает любые последовательности выходных сигналов минимальными средствами. Причем генерируемые последовательности можно довольно просто изменять, заменяя ПЗУ на микросхемы с другой картой прошивки.