Постоянная память
ПЗУ как универсальная комбинационная микросхема
Одно из самых распространенных применений микросхем ПЗУ — замена ими сложных комбинационных схем. Такое решение позволяет существенно упростить проектируемое устройство и снизить количество используемых комбинационных микросхем, а иногда даже уменьшить потребляемый ток и увеличить быстродействие схемы.
Суть предлагаемого подхода сводится к следующему. Если рассматривать адресные входы микросхемы ПЗУ как входы комбинационной схемы, а разряды данных — как выходы этой комбинационной схемы, то можно сформировать любую требуемую таблицу истинности данной комбинационной схемы. Для этого всего лишь надо составить таблицу прошивки ПЗУ, соответствующую нужной таблице истинности. В этом случае не надо ни подбирать логические элементы, ни оптимизировать их соединения, ни думать о том, можно ли вообще построить заданную комбинационную схему из стандартных микросхем. Важно только, чтобы количество требуемых входов не превышало количества адресных разрядов ПЗУ, а количество требуемых выходов не превышало разрядности шины данных ПЗУ.
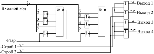
В качестве примера рассмотрим довольно сложную комбинационную схему (рис. 11.5), имеющую восемь входов и четыре выхода. Функция схемы сводится к следующему. Прежде всего она распознает два различных 5-разрядных входных кода (11001 и 10011) в случае, когда на входе разрешения "–Разр." присутствует нулевой сигнал, а при приходе сигналов "–Строб 1" и "-Строб 2" схема выдает на выход отрицательные импульсы. Причем первый выходной сигнал вырабатывается в случае, когда входной код равен 11001 и пришел сигнал "–Строб 1", второй выходной сигнал — при том же коде, но по входному сигналу "–Строб 2". Третий и четвертый выходной сигналы вырабатываются при входном коде 10011 и при приходе соответственно управляющих сигналов "–Строб 1" и "–Строб 2". То есть логика работы довольно сложная и разнообразных логических элементов требуется немало.
Но всю эту схему можно заменить всего лишь одной микросхемой ПЗУ, например, типа РТ4, имеющей 8 адресных входов и 4 выхода данных (рис. 11.6). При этом пять разрядов входного кода подаются на младшие разряды адреса ПЗУ (А0...А4), входной сигнал "Разр." — на адресный вход А5, сигнал "–Строб 1" — на вход А6, сигнал "–Строб 2" — на вход А7. Младший разряд данных памяти D0 используется для первого выходного сигнала, D1 — для второго выходного сигнала, D2 — для третьего выходного сигнала, D3 — для четвертого выходного сигнала. Микросхема ПЗУ всегда выбрана (управляющие сигналы –CS1 и –CS2 — нулевые). На выходах данных памяти включены резисторы, так как тип выходов микросхемы РТ4 — ОК.
Составим карту прошивки ПЗУ. Активные выходные сигналы — нулевые, а пассивные — единичные. Значит, в большинстве ячеек ПЗУ будут записаны коды F (все выходные сигналы пассивны). Активному (нулевому) первому выходному сигналу при пассивных остальных будет соответствовать двоичный код данных 1110 (16-ричный код — Е), активному второму выходному сигналу будет соответствовать двоичный код 1101 (16-ричный — D), активному третьему выходному сигналу — двоичный код 1011 (или В), активному четвертому выходному сигналу — двоичный код 0111 (или 7). То есть только содержимое четырех ячеек памяти будет отличаться от F.
Например, код Е будет записан в ячейку с таким адресом, пять младших разрядов которого (A0...А4) равны селектируемому входному коду 11001, разряд А5 равен нулю (сигнал "Разр." активен), разряд А6 равен нулю (сигнал "Строб 1" активен), а разряд А7 равен единице (сигнал "Строб 2" пассивен). Таким образом, получаем двоичный код адреса 10011001 (или в 16-ричном коде 99). Точно так же код D будет записан в ячейку с адресом 01011001 (то есть 16-ричное 59), код В — в ячейку с адресом 10010011 (то есть 93), а код 7 — в ячейку с адресом 01010011 (то есть 53). Получившаяся карта прошивки ПЗУ приведена в табл. 11.2. Она полностью совпадает с таблицей истинности заменяемой комбинационной схемы.
Может показаться, что такое использование микросхемы ПЗУ чересчур расточительно, избыточно, но это не так. Гораздо важнее, что схема сильно упрощается. Если же взять комбинационную схему с более сложной таблицей истинности, то возможности ПЗУ будут использованы полнее. К тому же большое достоинство такого решения состоит в том, что при необходимости изменения логики работы комбинационной схемы потребуется всего лишь перепрошивка ПЗУ, а не проектирование новой схемы из логических элементов. Задержка ПЗУ при замене комбинационной схемы любой сложности остается одной и той же, она равна задержке выборки адреса микросхемы ПЗУ. При сложной заменяемой комбинационной схеме ПЗУ может оказаться даже быстрее.
Однако использование ПЗУ для замены комбинационных схем имеет и довольно серьезные недостатки. Дело в том, что микросхемы ПЗУ еще больше, чем комбинационные микросхемы, чувствительны к моменту изменения входных сигналов (адресных разрядов). На выходах данных микросхем ПЗУ при любом изменении входного кода адреса могут появляться короткие паразитные импульсы. Поэтому лучше всего использовать ПЗУ для замены таких комбинационных схем, которые работают в статическом режиме и в которых короткие импульсы не имеют значения.

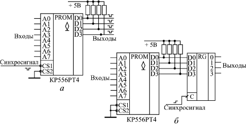
Рис. 11.7. Методы синхронизации выходных сигналов ПЗУ с помощью сигнала CS (а) и выходного регистра (б)
Можно также применять методы синхронизации выходных сигналов ПЗУ (рис. 11.7) с помощью управляющих сигналов выбора микросхемы CS (а) или же с помощью выходных триггеров и регистров (б). Суть синхронизации состоит в том, что выходные сигналы ПЗУ надо разрешать или фиксировать с помощью синхросигнала только тогда, когда все переходные процессы внутри микросхемы, вызванные сменой кода адреса, уже закончились и паразитные импульсы на выходах гарантированно отсутствуют.
Микросхемы ПЗУ могут заменять собой любые комбинационные микросхемы: дешифраторы, шифраторы, компараторы кодов, сумматоры, мультиплексоры, преобразователи кодов и т.д. Однако при подобной замене всегда стоит подумать, не лучше ли использовать уже готовые микросхемы, чем изготавливать новые (программировать ПЗУ ). Микросхемы ПЗУ могут оказаться медленнее стандартных комбинационных микросхем и потреблять больший ток питания. К тому же они могут требовать выходных резисторов, если микросхемы имеют выходы ОК или при использовании входов CS у микросхем с выходами 3С. Другое дело, когда ПЗУ выполняет функцию, отличающуюся от функции стандартной комбинационной микросхемы. Простейший пример — дешифратор с положительными, а не с отрицательными (как в стандартных сериях) активными выходными сигналами.