Постоянная память
Микросхема К155РЕ3 (аналог — N8223N) представляет собой однократно программируемое ППЗУ с организацией 32 х 8. Исходное состояние (до программирования) — все биты всех ячеек нулевые. Для программирования (записи информации) используется специальный программатор, подающий на разряды данных импульсы высокого напряжения. Тип выходных каскадов — открытый коллектор, то есть обязательно надо включать на выходах резисторы, подсоединенные к шине питания. Имеется один управляющий вход –CS, при положительном уровне сигнала на котором на всех выходах устанавливаются единицы.
Микросхема КР556РТ4 (аналог — I3601) — это также однократно программируемая постоянная память с организацией 256х4. Исходное состояние (до программирования): все биты всех ячеек нулевые. Тип выходных каскадов — ОК. Два управляющих входа -CS1 и –CS2 объединены по принципу И, то есть для разрешения работы микросхемы (для перевода выходов в активное состояние) оба эти сигнала должны быть нулевыми. Для записи информации в микросхему используется программатор.
Микросхема КР556РТ18 (аналог — HM76161) также является однократно программируемым ППЗУ и имеет организацию 2Кх8. Тип выходов микросхемы — 3С. Имеются три управляющих входа: один инверсный –CS1, два других — прямые CS2 и CS3, объединенных по функции И. Выходы данных переходят в активное состояние при нулевом уровне на –CS1 и при единичных уровнях на CS2 и CS3. Если входы управления используются для подачи управляющих сигналов (то есть выходы могут переходить в третье состояние) то на выходы надо включать нагрузочные резисторы, подключенные к шине питания. Исходное состояние микросхемы (до программирования) — все биты всех ячеек в единице.
Наконец, микросхема К573РФ8 (аналог — I27256) — это пример памяти РПЗУ с ультрафиолетовым стиранием информации. Чтобы перепрограммировать память, необходимо ее стереть, для чего в течение некоторого времени (обычно несколько минут) надо облучать микросхему через окошко в корпусе ультрафиолетовым светом (можно использовать медицинский кварцевый облучатель). Стертая микросхема имеет все биты, установленные в единицу. Затем проводится процедура записи с помощью программатора, несколько отличающегося от программаторов однократно программируемых микросхем. Управляющие входы –CS и –CE должны быть установлены в нуль для перевода выходов микросхемы в активное состояние. Имеется специальный вход UPR для подачи программирующего высокого напряжения, который при чтении информации из микросхемы надо подключать к напряжению питания. Тип выходных каскадов — 3С. Микросхемы этого типа самые медленные, их задержки самые большие.
Основные временные характеристики микросхем ПЗУ — это две величины задержки. Задержка выборки адреса памяти — время от установки входного кода адреса до установки выходного кода данных. Задержка выборки микросхемы — время от установки активного разрешающего управляющего сигнала CS до установки выходного кода данных памяти. Задержка выборки микросхемы обычно в несколько раз меньше задержки выборки адреса.
Содержимое ПЗУ обычно изображается в виде специальной таблицы, называемой картой прошивки памяти. В таблице показывается содержимое всех ячеек памяти, причем в каждой строке записывается содержимое 16 (или 32) последовательно идущих (при нарастании кода адреса) ячеек. При этом, как правило, используется 16-ричное кодирование.
Адрес | 0 | 1 | 2 | 3 | 4 | 5 | 6 | 7 | 8 | 9 | A | B | C | D | E | F |
---|---|---|---|---|---|---|---|---|---|---|---|---|---|---|---|---|
00 | FF | FF | FF | FF | FF | FF | FF | FF | FF | FF | FF | FF | FF | FF | FF | FF |
10 | FF | FF | FF | FF | FF | FF | FF | FF | FF | FF | FF | FF | FF | FF | FF | FF |
20 | FF | FF | FF | FF | FF | FF | FF | FF | FF | FF | FF | FF | FF | FF | FF | FF |
30 | FF | FF | FF | FF | FF | FF | FF | FF | FF | FF | FF | FF | FF | FF | FF | FF |
40 | FF | FF | FF | FF | FF | FF | FF | FF | FF | FF | FF | FF | FF | FF | FF | FF |
50 | FF | FF | FF | FF | FF | FF | FF | FF | FF | FF | FF | FF | FF | FF | FF | FF |
60 | FF | FF | FF | FF | FF | FF | FF | FF | FF | FF | FF | FF | FF | FF | FF | FF |
70 | FF | FF | FF | FF | FF | FF | FF | FF | FF | FF | FF | FF | FF | FF | FF | FF |
80 | FF | FF | FF | FF | FF | FF | FF | FF | FF | FF | FF | FF | FF | FF | FF | FF |
90 | FF | FF | FF | FF | FF | FF | FF | FF | FF | FF | FF | FF | FF | FF | FF | FF |
A0 | FF | FF | FF | FF | FF | FF | FF | FF | FF | FF | FF | FF | FF | FF | FF | FF |
B0 | FF | FF | FF | FF | FF | FF | FF | FF | FF | FF | FF | FF | FF | FF | FF | FF |
C0 | FF | FF | FF | FF | FF | FF | FF | FF | FF | FF | FF | FF | FF | FF | FF | FF |
D0 | FF | FF | FF | FF | FF | FF | FF | FF | FF | FF | FF | FF | FF | FF | FF | FF |
E0 | FF | FF | FF | FF | FF | FF | FF | FF | FF | FF | FF | FF | FF | FF | FF | FF |
F0 | FF | FF | FF | FF | FF | FF | FF | FF | FF | FF | FF | FF | FF | FF | FF | FF |
Пример карты прошивки ПЗУ с организацией 256х8 показан в табл. 11.1 (все биты всех ячеек считаются установленными в единицу). Пользоваться таблицей очень просто. Например для того, чтобы посмотреть содержимое ячейки памяти с 16-ричным адресом 8А, надо взять строку таблицы с номером 80 и столбец таблицы с номером А (данная ячейка в таблице выделена жирным шрифтом).
Любые микросхемы ПЗУ легко можно включать так, чтобы уменьшать или увеличивать количество адресных разрядов, то есть уменьшать или увеличивать количество используемых ячеек памяти. И то, и другое часто требуется при построении схем цифровых устройств.
Для уменьшения количества адресных разрядов необходимо на нужное число старших адресных входов подать нулевые сигналы. Каждый отключенный таким образом адресный разряд уменьшает количество ячеек ПЗУ вдвое. Например, на рис. 11.3 показано, как из микросхемы с организацией 2Кх8 сделать микросхему 512х8. Два старших разряда адреса памяти отключены (на них поданы нулевые сигналы). Использоваться будут только младшие (верхние в таблице прошивки) 512 ячеек, и только их надо будет программировать. Конечно, гораздо лучше подобрать микросхему именно с тем количеством ячеек, которое действительно необходимо в данной схеме, но это, к сожалению, возможно не всегда.
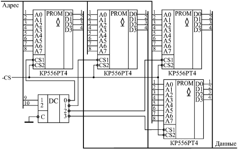
Задача увеличения количества адресных разрядов ПЗУ встречается значительно чаще задачи уменьшения количества адресных разрядов. В результате такого увеличения возрастает объем ПЗУ, объемы отдельных микросхем суммируются. Для увеличения адресных разрядов обычно применяются микросхемы дешифраторов (рис. 11.4). Младшие разряды шины адреса при этом подаются на объединенные адресные входы всех микросхем, а старшие — на управляющие (адресные) входы дешифратора. Выходные сигналы дешифратора разрешают работу всегда только одной микросхемы памяти. В результате на общую шину данных всех ПЗУ выдает свою информацию только одна микросхема. На рисунке для простоты не показаны выходные резисторы с разрядов данных на шину питания, подключение которых чаще всего необходимо, так как тип выходов данных микросхем ПЗУ — это ОК или 3С.
В результате подобного объединения микросхем ПЗУ может увеличиться время выборки адреса полученного единого ПЗУ. В данном случае (см. рис. 11.4) оно будет равно максимальной из двух величин: времени выборки адреса одной микросхемы и суммы двух задержек — задержки дешифратора и задержки выборки микросхемы ПЗУ.
Если надо объединить две микросхемы (то есть добавить всего один разряд адресной шины), можно обойтись без дешифратора, подавая на вход –CS одной микросхемы прямой дополнительный сигнал адреса, а на вход –CS другой микросхемы — этот же сигнал с инверсией. Применение дешифратора 3—8 позволяет объединить 8 микросхем ПЗУ (добавить три адресных разряда), а применение дешифратора 4–16 добавляет четыре адресных разряда, объединяя 16 микросхем ПЗУ.
Часто возникает также задача увеличения количества разрядов данных. Для этого необходимо всего лишь объединить одноименные адресные входы нужного количества микросхем ПЗУ ; выходы же данных ПЗУ не объединяются, а образуют код с большим числом разрядов. Например, при объединении таким образом двух микросхем с организацией 8Кх8 можно получить ПЗУ с организацией 8Кх16.