Опубликован: 16.10.2006 | Уровень: для всех | Доступ: платный | ВУЗ: Национальный исследовательский ядерный университет «МИФИ»
Лекция 12:

Оперативная память

Улучшение параметров ОЗУ

При применении оперативной памяти часто встает задача улучшить ее характеристики. О совместном включении нескольких микросхем с целью увеличения разрядности шины адреса и шины данных уже говорилось. Здесь же мы остановимся на задаче повышения быстродействия памяти, то есть увеличения предельной тактовой частоты, с которой можно записывать информацию в память и читать информацию из памяти.

Наверное, самое распространенное и самое простое решение, позволяющее повысить быстродействие памяти, состоит в применении сдвиговых регистров. Сдвиговые регистры всегда имеют существенно большее быстродействие, чем память, так как они имеют гораздо более простую структуру. Частота следования тактовых импульсов этих регистров может достигать десятков и сотен мегагерц, тогда как память с такими параметрами найти трудно.

Увеличение быстродействия памяти достигается с помощью сдвиговых регистров очень просто: уменьшение в несколько раз разрядности шины данных памяти позволяет во столько же раз увеличить частоту записи информации в память или чтения информации из памяти.

Например, если необходимо в 8 раз увеличить частоту чтения информации из памяти, то надо соединить нужное количество микросхем памяти для увеличения разрядности шины данных в 8 раз, а затем применить на выходах данных схему (рис. 12.16) на основе 8-разрядного регистра сдвига. 8-разрядный код, читаемый из памяти, записывается в сдвиговый регистр, а затем сдвигается семь раз с частотой, в 8 раз большей, чем частота опроса памяти. И запись, и сдвиг производятся одним тактовым сигналом с генератора. Восемь тактовых импульсов отсчитываются синхронным счетчиком. Для управления работой регистра сдвига применен элемент 3ИЛИ-НЕ, выдающий положительный импульс в течение первой 1/8 периода опроса памяти. Этот же сигнал используется как строб чтения из памяти (своим задним фронтом он переключает адреса памяти).

Увеличение частоты чтения информации

Рис. 12.16. Увеличение частоты чтения информации

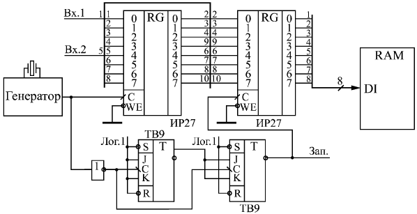
В случае необходимости увеличения частоты записи в память одного сдвигового регистра недостаточно. Дело в том, что информация в память записывается не по фронту сигнала, а по уровню, то есть записываемая информация должна сохраняться на входе памяти определенное время. Поэтому код с выхода сдвигового регистра необходимо перед записью в память переписать в параллельный регистр, где он будет затем храниться в течение всего периода записи в память.

Схема, показанная на рис. 12.17, ускоряет частоту записи в память в 4 раза.

Увеличение частоты записи информации

Рис. 12.17. Увеличение частоты записи информации

В данном случае в качестве регистра сдвига удобно использовать обычный параллельный регистр, срабатывающий по фронту, у которого выходы трех разрядов соединены со входами следующих разрядов. При этом из одного 8-разрядного регистра мы получаем два 4-разрядных регистра сдвига. 2-разрядная входная информация записывается в эти два 4-разрядных регистра сдвига, затем переписывается в параллельный регистр и только потом записывается в память. Для отсчета четырех импульсов тактового генератора применен 2-разрядный счетчик на двух JK-триггерах, включенных в счетном режиме, что позволяет несколько повысить быстродействие по сравнению со стандартными микросхемами счетчиков. Сигнал с выхода второго триггера записывает информацию в параллельный регистр, а также используется в качестве строба записи в память "Зап.".

Большой недостаток оперативной памяти состоит в том, что информация, записанная в нее, исчезает при выключении источника питания. Поэтому часто используется дополнительный источник питания (гальваническая батарея или аккумулятор), который питает при выключении источника питания только микросхемы памяти. В данном случае очень удобны микросхемы ОЗУ, выполненные по КМОП технологии, ток потребления которых в статическом режиме (при неизменных входных и выходных сигналах) очень мал (порядка единиц микроампер). В результате получается так называемая энергонезависимая оперативная память, содержимое которой может легко перезаписываться, но не пропадает при выключении питания, как в ПЗУ.

Схема энергонезависимой памяти (рис. 12.18) довольно проста, хотя и имеет ряд неочевидных особенностей.

Энергонезависимая оперативная память

Рис. 12.18. Энергонезависимая оперативная память

Дело в том, что управляющие сигналы памяти –WR и –CS имеют активный низкий уровень, а при выключении питания все входные сигналы памяти, естественно, станут нулевыми. Это приведет к искажению записанной в память информации. Поэтому необходимо обеспечить, чтобы при выключении питания сигналы на входах –WR и –CS были пассивными, то есть имели уровень логической единицы. Для этого обычно используются логические элементы с выходами ОК, нагрузочные резисторы которых присоединяются не к пропадающему напряжению питания памяти Uип, а к сохраняющемуся напряжению питания памяти Uпам. Для получения напряжения Uпам используется простая схема на двух диодах (лучше брать диоды Шоттки с меньшим падением напряжения), которая передает на выход Uпам напряжение источника питания Uип (если питание включено) или напряжение от гальванической батареи 3–4,5 В (если питание выключено).

Для большей гарантии от пропадания информации во время переходных процессов (при постепенном нарастании Uип и при постепенном его уменьшении) необходимо управлять прохождением сигналов WR и CS на память с помощью управляющего сигнала "Сброс". Этот сигнал равен нулю при напряжения Uип менее 4,7–4,8 В и равен единице при нормальном напряжении Uип = 5 В (временная диаграмма приведена на рисунке). В результате такого решения память отключается от остальной схемы при недостаточном напряжении питания (сигналы -WR и –CS равны единице) и подключается к остальной схеме при нормальном напряжении питания.

В заключение данной лекции надо отметить, что в ней сознательно не рассмотрена одна из важнейших областей применения микросхем памяти (как постоянной, так и оперативной) - микропроцессорные системы и компьютерные системы. Дело в том, что говорить о применении памяти в этой области невозможно без изложения основ микропроцессорной и компьютерной схемотехники, а это отдельная большая тема, требующая специальной книги. К тому же изучение методов включения памяти, которые рассмотрены в данной лекции, позволяет в дальнейшем довольно легко понять принципы применения памяти в любых возможных областях.

Некруз Хурсандов
Некруз Хурсандов
Билли Keita
Билли Keita
Александр Зотов
Александр Зотов
Россия
Марина Сухова
Марина Сухова
Россия, Москва