Синхронные счетчики
Режимы работы счетчиков ИЕ12 и ИЕ13 представлена в табл. 10.2.
| Входы | Режим | |||
|---|---|---|---|---|
| -WR | U/D | -ECR | C | |
| 0 | Х | Х | Х | Параллельная запись |
| 1 | Х | 1 | Х | Хранение |
| 1 | 0 | 0 | 0 1 |
Прямой счет |
| 1 | 1 | 0 | 0 1 |
Обратный счет |
Микросхемы ИЕ16 (двоично-десятичный счетчик) и ИЕ17 (двоичный счетчик) отличаются от рассмотренных синхронной параллельной записью по фронту тактового сигнала С, возможностью прямого и обратного счета и отсутствием сигнала сброса в нуль.
Срабатывают счетчики ИЕ16 и ИЕ17 по положительному фронту тактового сигнала С. При нулевом уровне на входе разрешения записи -EWR по фронту сигнала С в счетчик записывается информация со входов данных D1, D2, D4, D8. При единичном уровне на входе –EWR по положительному фронту сигнала С происходит счет. Направление счета определяется входом U/D: при единице на этом входе счет прямой, при нуле — обратный. Имеются два входа расширения: вход разрешения счета –ECT и вход разрешения переноса –ECR. Различаются эти два входа тем, что сигнал –ECR не только запрещает счет, как сигнал –ECT, но еще и запрещает выработку сигнала переноса. Переключение уровней на входах U/D, –ECT и –ECR надо производить только при единичном уровне на тактовом входе С.
Отрицательный сигнал переноса –CR (синхронный) вырабатывается при достижении на выходах счетчика максимального кода (15 для ИЕ7 или 9 для ИЕ16) при прямом счете или нулевого кода при обратном счете.
Режимы работы счетчиков ИЕ16 и ИЕ17 приведены в табл. 10.3.
Возможности применения синхронных (параллельных) счетчиков очень широки. Достаточно сказать, что они без всяких проблем могут заменить во всех схемах как асинхронные (последовательные) счетчики, так и синхронные счетчики с асинхронным (последовательным) переносом. При необходимости достижения максимального быстродействия они имеют большие преимущества по сравнению со всеми другими счетчиками. Их выходной код устанавливается одновременно при любом количестве разрядов без применения дополнительных выходных регистров (которые требовались в случае асинхронных счетчиков и синхронных счетчиков с асинхронным переносом).
Мы рассмотрим здесь всего несколько схем, иллюстрирующих характерные особенности именно синхронных счетчиков.
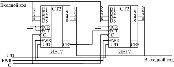
Сначала остановимся на методах каскадирования счетчиков. В отличие от других типов счетчиков, синхронные счетчики можно соединять различными способами, причем способ соединения различен для разного количества микросхем. В качестве примера возьмем микросхемы ИЕ17.
При объединении двух счетчиков (рис. 10.3) никаких проблем не возникает: выход переноса –CR младшего счетчика соединяется со входом разрешения счета старшего счетчика –ECT. На входы –ECR обоих счетчиков подается нулевой уровень. Условие правильной работы будет простым и легко выполнимым: период тактового сигнала С не должен быть меньше, чем задержка выработки сигнала переноса CR.
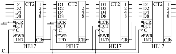
При объединении трех счетчиков ситуация несколько усложняется (рис. 10.4). Сигнал с выхода переноса первого счетчика подается на входы -ECT второго и третьего счетчиков. Сигнал с выхода переноса второго счетчика подается на вход -ECR третьего счетчика. В результате третий счетчик будет считать только тогда, когда имеется перенос как у первого, так и у второго счетчика. На рисунке для простоты не показано подключение входных и выходных сигналов, не участвующих в каскадировании.
Условие правильной работы схемы остается тем же, что и в случае двух счетчиков: период тактового сигнала С не должен быть меньше задержки выработки сигнала переноса CR.
При объединении четырех (и более) счетчиков уже возникает проблема, так как у старших счетчиков не остается свободных управляющих входов для собирания всех сигналов переноса более младших счетчиков. Поэтому в данном случае используется способность входного сигнала –ECR запрещать выходной сигнал переноса -CR (рис. 10.5). На четвертый и последующие счетчики подаются уже сигналы переноса не со всех предыдущих счетчиков, а только с первого и с предыдущего. На рисунке для простоты не показано подключение входов и выходов, не участвующих непосредственно в каскадировании.
При таком включении происходит уже накапливание задержки сигналов переноса. Максимальной задержка будет для сигнала переноса второго счетчика. Условие правильной работы всех счетчиков будет следующее: период тактового сигнала С не должен быть меньше, чем максимальная суммарная задержка сигналов переноса до входа последнего счетчика. При объединении четырех счетчиков в эту максимальную задержку входят задержка сигнала переноса –CR микросхемы относительно фронта сигнала С и задержка сигнала переноса –CR относительно сигнала –ECR. При объединении пяти счетчиков добавится еще одна задержка сигнала переноса –CR относительно сигнала –ECR и т.д. Поэтому с увеличением количества объединяемых счетчиков будет снижаться допустимая тактовая частота.
При необходимости объединения большого количества счетчиков (большего четырех) можно избежать накопления суммарной задержки переноса, включив на входах старших счетчиков -ECT логические элементы ИЛИ с нужным числом входов. Эти элементы должны собирать все сигналы переноса с более младших счетчиков, то есть на их выходах должен быть нуль тогда, когда сигналы -CR всех предыдущих счетчиков нулевые. При этом, правда, в суммарную задержку переноса, которая не должна превышать периода тактового сигнала С, войдут задержки этих самых элементов ИЛИ.
В любом случае при выполнении условия правильной работы счетчиков схема будет работать как идеальный счетчик, то есть все разряды многокаскадного счетчика будут переключаться одновременно.
1

