Опубликован: 16.10.2006 | Уровень: для всех | Доступ: платный | ВУЗ: Национальный исследовательский ядерный университет «МИФИ»
Лекция 9:

Асинхронные и синхронно-асинхронные счетчики

Таблица 9.3. Таблица истинности счетчика ИЕ5
Выходы Выходы
С1 R1 R2 8 4 2 1
Х 1 1 0 0 0 0
1 \to 0 0 Х Счет
1 \to 0 Х 0 Счет

Таблица истинности счетчика ИЕ5 при соединении входа С2 и выхода 1 (при 4-разрядном выходном коде) приведена в табл. 9.3.

Объединение трех счетчиков ИЕ5 для увеличения разрядности

Рис. 9.4. Объединение трех счетчиков ИЕ5 для увеличения разрядности

Объединять счетчики ИЕ5 для увеличения разрядности (каскадировать) очень просто: нужно выход 8 предыдущего счетчика (выдающего более младшие разряды) соединить со входом С1 следующего счетчика (выдающего более старшие разряды). На рис. 9.4 показано соединение трех счетчиков ИЕ5 для получения 12-разрядного асинхронного счетчика со сбросом в нуль. Точно так же можно объединять и счетчики ИЕ2, добавляя при этом входы общей установки счетчика в код 99...9. Однако при объединении надо помнить, что добавление каждого нового разряда увеличивает общую задержку переключения полученного счетчика. Многоразрядный асинхронный счетчик может получиться неприемлемо медленным.

Счетчик ИЕ19 можно считать сдвоенным вариантом счетчика ИЕ5. Он включает в себя два идентичных независимых друг от друга 4-разрядных асинхронных счетчика, каждый из которых имеет свой счетный вход С и свой вход сброса R. Считают оба счетчика, входящие в микросхему, по отрицательному фронту на своих входах С1 и С2. Сбрасываются они единичными сигналами на своих входах сброса R1 и R2.

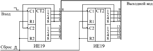
Счетчики, входящие в ИЕ19, можно использовать самостоятельно, но можно и объединить их для получения 8-разрядного асинхронного счетчика с выходами 1, 2, 4, 8, 16, 32, 64, 128. Для такого объединения достаточно соединить выход 8 первого счетчика со счетным входом С2 второго счетчика. Если соединить два ИЕ19 (рис. 9.5), то получится уже 16-разрядный асинхронный двоичный счетчик. При этом выход 8 второго счетчика соединяется со счетным входом С1 первого счетчика. Однако и в данном случае каждый следующий разряд переключается с задержкой после переключения предыдущего.

Объединение двух счетчиков ИЕ19 для увеличения разрядности

Рис. 9.5. Объединение двух счетчиков ИЕ19 для увеличения разрядности

Основное применение асинхронных счетчиков состоит в построении всевозможных делителей частоты, то есть устройств, выдающих выходной сигнал с частотой, в несколько раз меньшей, чем частота входного сигнала. В данном случае нас интересует не выходной код счетчика, то есть не все его разряды одновременно, а только один разряд, поэтому взаимные задержки отдельных разрядов не играют роли, полная задержка переключения счетчика не имеет значения. Простейший пример делителя частоты на два - это триггер в счетном режиме или счетчик, выходным сигналом которого является выход первого, младшего разряда 1.

При построении делителей частоты иногда важна не только частота выходного сигнала, но и его форма, его скважность, то есть отношение периода следования импульсов к длительности этих импульсов. В таких случаях чаще всего требуется меандр - цифровой сигнал со скважностью, равной двум (длительность импульсов равна длительности паузы между ними). Получить меандр из любого сигнала довольно просто: надо использовать дополнительный делитель частоты на 2, правда, при этом частота выходного сигнала уменьшится еще вдвое.

Простейший пример такого делителя частоты на десять приведен на рис. 9.6. В делителе использован счетчик ИЕ2, у которого одноразрядный внутренний счетчик включен после трехразрядного внутреннего счетчика. Трехразрядный счетчик делит частоту входного сигнала на 5, но выходные импульсы имеют скважность, не равную двум (она равна 5). Одноразрядный счетчик делит частоту еще вдвое и одновременно формирует меандр. Задержки переключения разрядов счетчика относительно друг друга на рисунке не показаны (применяем первый уровень представления, логическую модель).

Делитель частоты на 10, выдающий меандр

Рис. 9.6. Делитель частоты на 10, выдающий меандр

Иногда возникает задача деления частоты входного сигнала в произвольное число раз (не в 10 и не в 2n, что легко обеспечивается самой структурой стандартных счетчиков). В этом случае можно организовать сброс счетчика при достижении им требуемого кода путем введения обратных связей.

Делитель частоты на 9 с обратными связями

Рис. 9.7. Делитель частоты на 9 с обратными связями

Например, на рис. 9.7 показан простейший делитель частоты на 9 на основе счетчика ИЕ5. При достижении его выходным кодом значения 9 (то есть 1001) счетчик автоматически сбрасывается в нуль по входам R1 и R2, и счет начинается снова. В результате частота выходного сигнала в 9 раз меньше частоты входного сигнала. При этом скважность выходного сигнала не равна двум. Временная диаграмма показана на рисунке для первого уровня представления (без учета временных задержек).

Если в числе, на которое надо делить частоту, больше двух единиц (например, 15, то есть 1111, или 13, то есть 1101), то для формирования сигнала сброса надо использовать элементы 2И, 3И или 4И, чтобы объединить все выходы, равные единице. В результате можно построить делитель входной частоты в любое число раз от 2 до 2N, где N - число разрядов используемого счетчика. Правда, при организации обратных связей надо учитывать ограничение на быстродействие счетчика. Все разряды, используемые для обратной связи, должны успеть переключиться за один период входного сигнала. Скважность выходного сигнала может принимать в данном случае самые разные значения, например, выходной сигнал может представлять собой очень короткие импульсы.

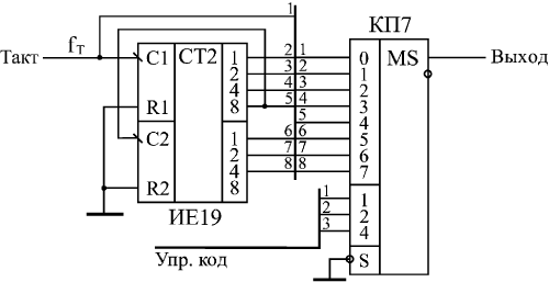
На асинхронных счетчиках можно строить также управляемые делители частоты, то есть такие делители, выходная частота которых определяется управляющим кодом. На рис. 9.8 показан делитель на 2n, где n - целое. Восьмиразрядный счетчик ИЕ19 работает по входному сигналу с тактовой частотой fT, а выходной 8-входовый мультиплексор КП7 передает на выход схемы один из 7 разрядов счетчика или же входной сигнал. Выбор номера канала производится входным управляющим 3-разрядным кодом. Например, при тактовой частоте fT = 10 МГц, то есть при периоде входного сигнала 100 нс период выходного сигнала может составлять 100 нс, 200 нс, 400 нс, 800 нс, 1,6 мкс, 3,2 мкс, 6,4 мкс, 12,8 мкс.

Управляемый делитель частоты на асинхронном счетчике

Рис. 9.8. Управляемый делитель частоты на асинхронном счетчике

В момент переключения управляющего кода на выходе схемы могут появиться нежелательные короткие импульсы, так как никакой синхронизации управляющего кода не предусмотрено. Поэтому схема должна работать так: сначала задается входной управляющий код, а уже потом разрешается работа той схемы, на которую поступает выходной сигнал, сформированный нашей схемой. В этом случае никаких проблем не будет. Не играют роли в данном случае и задержки переключения разрядов счетчика, так как всегда используется только один его разряд. Главное, чтобы с частотой fT переключался первый разряд счетчика.

Конечно, применение асинхронных счетчиков не ограничивается только делителями частоты. В случаях, когда высокого быстродействия не требуется, когда переходные процессы на выходах счетчика не имеют значения (при правильной синхронизации), асинхронные счетчики вполне могут заменить более быстрые синхронные счетчики. Доля таких задач составляет около 20% от общего числа.

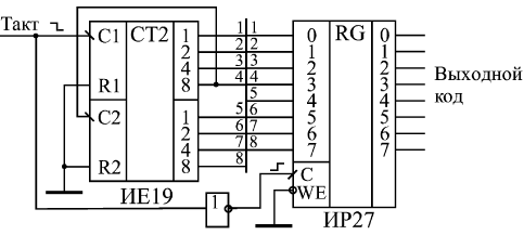
Если же включить на выходе асинхронного счетчика выходной параллельный регистр (рис. 9.9), то можно обеспечить одновременное переключение всех выходных разрядов счетчика.

Включение выходного регистра для одновременного переключения разрядов выходного кода

Рис. 9.9. Включение выходного регистра для одновременного переключения разрядов выходного кода

Данная схема будет работать правильно, если период следования входных тактовых импульсов будет больше, чем время установления всех разрядов счетчика (в нашем случае - 8-разрядного счетчика ИЕ19). Инвертор необходим, так как счетчик срабатывает по отрицательному фронту входного сигнала, а регистр - по положительному фронту. Данное решение устраняет главный недостаток асинхронного счетчика - неодновременность установления его выходных разрядов. Однако второй недостаток - большая задержка установления выходного кода - сохраняется. Его устранить невозможно, можно только перейти на другие, более быстрые счетчики.

В заключение данного раздела надо отметить, что асинхронные счетчики, как и другие цифровые схемы, предъявляют требования к длительности входных сигналов. Например, не должны быть слишком короткими сигналы на тактовых входах и на входах сброса и установки. Не должны быть слишком затянутыми фронты входных сигналов. Тактовые сигналы и сигналы сброса не должны приходить со слишком малыми задержками друг относительно друга.

Некруз Хурсандов
Некруз Хурсандов
Билли Keita
Билли Keita
Александр Зотов
Александр Зотов
Россия
Марина Сухова
Марина Сухова
Россия, Москва