Опубликован: 16.10.2006 | Уровень: для всех | Доступ: платный | ВУЗ: Национальный исследовательский ядерный университет «МИФИ»
Лекция 3:

Простейшие логические элементы

< Лекция 2 || Лекция 3: 123456 || Лекция 4 >

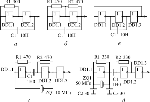
Именно инвертор, как наиболее простой элемент, чаще других элементов используется в нестандартных включениях. Например, инверторы обычно применяются в схемах генераторов прямоугольных импульсов (рис. 3.3), выходной сигнал которых периодически меняется с нулевого уровня на единичный и обратно. Все приведенные схемы, кроме схемы д, выполнены на элементах К155ЛН1, но могут быть реализованы и на инверторах других серий при соответствующем изменении номиналов резисторов. Например, для серии К555 номиналы резисторов увеличиваются примерно втрое. Схема д выполнена на элементах КР531ЛН1, так как она требует высокого быстродействия инверторов.

Схемы генераторов импульсов на инверторах

Рис. 3.3. Схемы генераторов импульсов на инверторах

Схемы а, б и в представляют собой обычные RC-генераторы, характеристики которых (выходную частоту, длительность импульса) можно рассчитать только приблизительно. Для схем а и б при указанных номиналах резистора и конденсатора частота генерации составит порядка 100 кГц, для схемы в — около 1 МГц. Эти схемы рекомендуется использовать только в тех случаях, когда частота не слишком важна, а важен сам факт генерации. Если же точное значение частоты принципиально, то рекомендуется применять схемы г и д, в которых частота выходного сигнала определяется только характеристиками кварцевого резонатора. Схема г используется для кварцевого резонатора, работающего на первой (основной) гармонике. Величину емкости можно оценить по формуле:

C>1/(2RF)

где F — частота генерации. Схема д применяется для гармониковых кварцевых резонаторов, которые работают на частоте, большей основной в 3, 5, 7 раз (это бывает нужно для частот генерации выше 20 МГц).

Использование инверторов для задержки сигнала

Рис. 3.4. Использование инверторов для задержки сигнала

Инверторы также применяются в тех случаях, когда необходимо получить задержку сигнала, правда, незначительную (от 5 до 100 нс). Для получения такой задержки последовательно включается нужное количество инверторов (рис. 3.4, вверху). Суммарное время задержки, например, для четырех инверторов, можно оценить по формуле

tЗ = 2tPHL + 2tPLH

Правда, надо учитывать, что обычно реальные задержки элементов оказываются существенно ниже (иногда даже вдвое), чем табличные параметры tPHL и tPLH. То есть о точном значении получаемой задержки говорить не приходится, ее можно оценить только примерно.

Для задержки сигнала используются также конденсаторы (рис. 3.4, внизу). При этом задержка возникает из-за медленного заряда и разряда конденсатора (напряжение на конденсаторе ­— UC). Схема без резистора (слева на рисунке) дает задержку около 100 нс. В схеме с резистором (справа на рисунке) номинал резистора должен быть порядка сотен Ом. Но при выборе таких схем с конденсаторами надо учитывать, что некоторые серии микросхем (например, КР1533 ) плохо работают с затянутыми фронтами входных сигналов. Кроме того, надо учитывать, что количество времязадающих конденсаторов в схеме обратно пропорционально уровню мастерства разработчика схемы.

Наконец, еще одно применение инверторов, но только с выходом ОК, состоит в построении на их основе так называемых элементов "Проводного ИЛИ". Для этого выходы нескольких инверторов с выходами ОК объединяются, и через резистор присоединяются к источнику питания (рис. 3.5). Выходом схемы является объединенный выход всех элементов. Такая конструкция выполняет логическую функцию ИЛИ-НЕ, то есть на выходе будет сигнал логической единицы только при нулях на всех входах. Но о логических функциях подробнее будет рассказано далее.

Объединение выходов инверторов с ОК для функции ИЛИ-НЕ

Рис. 3.5. Объединение выходов инверторов с ОК для функции ИЛИ-НЕ

В заключение раздела надо отметить, что инверсия сигнала применяется и внутри более сложных логических элементов, а также внутри цифровых микросхем, выполняющих сложные функции.

< Лекция 2 || Лекция 3: 123456 || Лекция 4 >
Некруз Хурсандов
Некруз Хурсандов
Билли Keita
Билли Keita
Александр Зотов
Александр Зотов
Россия
Марина Сухова
Марина Сухова
Россия, Москва