|
Здравствуйте! Прошел курс, а где экзамен? Как сертификат получить? Без экзамена? |
Комбинационные схемы
Слева показаны входы схемы, справа - выходы. Первый выход имеет ключ, выделенный зеленым цветом. При наведении указателя на вход или выход, всплывает подсказка с меткой, назначенной при проектировании функциональной схемы. Если же кликнуть по входу/выходу левой кнопкой указателя, то внизу будет выведена схема функциональная с выделенным выводом.
Следует выделить прямоугольник и изменить геометрию до следующих размеров: по ширине 7 клеток, по высоте 11 клеток. Используя инструмент линия, построить вертикальные линии по границам второй клетки слева и справа. На рисунке 2.22 приведен внешний вид создаваемого графического обозначения дешифратора. Контакты входов необходимо поменять местами так, чтобы верхним контактом стал вход А0, а нижним - А3.
Далее, используя инструмент текст, подписать центральное поле значением DC. Размер шрифта задать 10, тип шрифта оставить неизменным (рисунок 2.23).
Следующим шагом подписать входы и выходы как показано на рисунке 2.14. Шрифт задать размером 8. На рисунке 2.24 приведено итоговое графическое обозначение. Сохранить изменения и перейти в схему main.
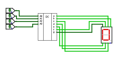
На главной схеме выделить, появившийся в иерархии, элемент DC (удерживая левой кнопкой манипулятора, потянуть элемент до поля схемы). Затем перейти в иерархии в раздел "Ввод/вывод" и выбрать 7-сегментный индикатор. Разместить его на поле и соединить выходы дешифратора с выводами индикатора. У индикатора в среде Logisim Evolution контакты подключены к сегментам как показано на рисунке 2.25.
Схема включения дешифратора приведена на рисунке 2.26. Дополнительно следует убедится, что в свойство семисегментного индикатора "Активен при единице?" установлено "Да". Изменяя состояния входов, пронаблюдать изменение отображаемых символов на индикаторе.
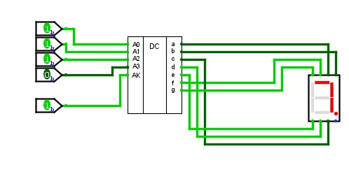
Можно сказать, что проектирование закончено, но для получения универсальности схемы необходимо обеспечить возможность работы с индикаторами с общим анодом. Тем более, что проектирование цифровых устройств на FPGA дает гибкость при проектировании. Для расширения функционала спроектированного дешифратора - добавление возможности работы с индикаторами с общим анодом, необходимо изменить функциональную схему. Для этого дважды кликнуть в иерархии по элементу DC. На функциональной схеме добавить дополнительный вход управления. Данному входу присвоить наименование АК - анод/катод. Далее сделать разрыв в линиях, идущих к выходам a-g. В разрывы включить двухвходовые элементы "Исключающее ИЛИ". Один вход элементов Исключающее ИЛИ включается в разрыв линий. Вторые входы данных элементов объединить и подключить к входу АК как показано на рисунке 2.27.
Следующим этапом перейти к редактированию внешнего вида условно-графического обозначения дешифратора и подписать наименование входа управления АК. Если вход управления размещен выше полей А3-А0, то переместить вниз. Итоговый вариант схемы приведен на рисунке 2.28.
Для проверки работы дешифратора можно изменить свойство семисегментного индикатора "Активен при единице? " на "Нет" и пронаблюдать выводимые символы при логическом "0" на входе управления AK дешифратора. Затем установить логическую "1". Семисегментный индикатор верно отображает информацию.







