|
Здравствуйте! Прошел курс, а где экзамен? Как сертификат получить? Без экзамена? |
Комбинационные схемы
Ввести код из листинга 2.5.
rd /s /q sim md sim cd sim rem start the simulation vsim -do ../simulation.tcl rem return to the parent folder cd ..Листинг 2.5.
Запустить на исполнение файл start.bat. Описанные в данном примере файлы должны находиться в одном каталоге. Работа симулятора ModelSim показана на рисунке 2.40. На рисунке 2.41 показана диаграмма в с временной меткой на сигнале bin 1000 - 8.
Практическая работа 2. "Моделирование универсальной комбинационной схемы"
Цель: закрепление практических навыков моделирования комбинационных элементов на примере существующих решений.
Главной особенностью комбинационных схем является то, что сигнал на их выходе зависит только от комбинации сигналов на входах системы и не зависит от времени. Таким образом, при многократном поступлении одного и того же сигнала на выходах комбинационной схемы будет формироваться один и тот же входной сигнал.
Как было сказано выше, комбинационные схемы используются для технической реализации логических функций. При помощи комбинационной схемы определяется значение логической функции для заданных значений логических переменных.
В качестве примера реализации будет рассмотрено устройство микросхемы 4048 (КМОП).
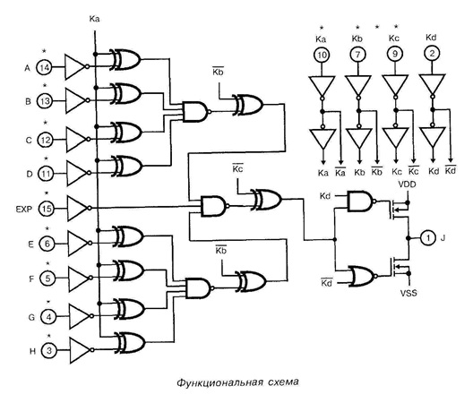
Микросхема MMC4048 [7] это многофункциональный логический элемент. Микросхема MMC4048 имеет 8 информационных входов (А, В,С,D,Е,F,G,Н), три управляющих входа Ка, Кв и Кс определяют 8 различных логических функций микросхемы: ИЛИ-НЕ, ИЛИ, И-НЕ, ИЛИ, И-ИЛИ, ИЛИ-И-НЕ, И-ИЛИ, И-ИЛИ-НЕ. Вход Kd является входом разрешения работы выхода (для работы необходимо присутствие лог. "1"). Вход EXPAND позволяет наращивать количество входов объединением двух и более микросхем (необходимо присутствие лог. "0").
На рисунке 2.42 приведены варианты реализуемых логических комбинаций данной микросхемой.
Проводится анализ документа, описывающего внутреннюю структуру микросхемы (рисунок 2.43).
Комбинации входного алфавита с результатом работы микросхемы в зависимости от управляющей комбинации приведены на рисунке 2.44.




